佛手瓜 西葫芦 秋葵 蛇果 茄子 辣椒 西红柿 黄瓜 南瓜 冬瓜 丝瓜 苦瓜 其它
扁豆 荷兰豆 四季豆 豇豆 豌豆 蚕豆 其它
马铃薯 萝卜 胡萝卜 红薯 芋头 苤蓝 榨菜 莲藕 山药 竹笋 莴笋 茭白 百合 魔芋 荸荠 慈姑 芡实 葛根 豆薯 洋姜 甜菜 芦笋 山葵 辣根 其它
大白菜 青菜 菠菜 生菜 油麦菜 苋菜 卷心菜 空心菜 木耳菜 雪里蕻 马兰头 紫甘蓝 塌菜 芥蓝 血皮菜 荠菜 茼蒿 香菜 茴香 苦菊 紫苏 韭菜 菜心 娃娃菜 蕨菜 芹菜 其它
西兰花 花椰菜 黄花菜 其它
蘑菇 香菇 草菇 平菇 金针菇 茶树菇 猴头菇 杏鲍菇 鸡腿菇 牛肝菌 木耳 银耳 竹荪 松茸 羊肚菌 其它
大葱 小葱 洋葱 姜 大蒜 花椒 其它
柑橘 金橘 橙子 柚子 柠檬 其它
樱桃 桃子 栗子 杏 梅子 杨梅 枣 沙棘 橄榄 其它
苹果 梨 山楂 柿子 枇杷 其它
西瓜 甜瓜 香瓜 哈密瓜 白兰瓜 其它
香蕉 火龙果 芒果 荔枝 龙眼 菠萝 番荔枝 番石榴 番木瓜 红毛丹 百香果 莲雾 牛油果 山竹 蛇皮果 杨桃 甘蔗 人心果 榴莲 其它
草莓 蓝莓 黑莓 树莓 桑葚 葡萄 菇娘果 猕猴桃 无花果 石榴 人参果 其它
开心果 核桃 腰果 板栗 榛子 松子 巴旦木 碧根果 夏威夷果 吊瓜子 其它
水稻 小麦 大麦 玉米 高粱 粟 黍 薏苡 燕麦 荞麦 黑米 糯米 红豆 绿豆 黑豆 青稞 其它
棉花 大豆 花生 油菜 芝麻 葵花 油牡丹 油棕 其它
橡胶 烟叶 咖啡豆 茶叶 其它
石斛 三七 何首乌 天麻 人参 玛卡 半夏 黄连 板蓝根 其它
枸杞 无患子 槟榔 莲子 其它
金银花 金线莲 白芥 其它
野牛草 玉米草 皇竹草 甜象草 苜蓿 早熟禾 其它
黑麦草 白三叶 结缕草 狗牙根 地毯草 钝叶草 假俭草 剪股颖 高羊茅 鼠茅草 披碱草 苇状羊茅 鸭茅草 其它
雪松 罗汉松 广玉兰 棕榈树 水杉 垂柳 苏铁 无患子 橡皮树 忍冬 银杏树 桉树 白皮松 海棠 红豆杉 桂花树 其它
海桐 女贞 红叶石楠 垂榕 鹅掌柴 冬青 南天竹 八角金盘 三角梅 大叶黄杨 棕竹 其它
万寿菊 牡丹花 郁金香 芍药 一串红 凤仙花 其它
大花惠兰 蝴蝶兰 君子兰 金钱树 发财树 绿萝 红掌 仙客来 一品红 海棠花 菊花 凤梨 杜鹃花 石斛兰 兰花 马蹄莲 芦荟 其它
玫瑰 月季 洋桔梗 康乃馨 百合 其它
荷花 鸢尾 千屈菜 萍蓬 其它
白牡丹 黑法师 虹之玉 熊童子 其它 乙女心 桃美人
爬墙虎 牵牛花 凌霄花 炮仗花 其它
作物Kc值 灌溉方式 水肥一体化 墒情判断 灌溉方案 灌溉系统维护 灌溉水质 节水灌溉 其它
营养元素 生物刺激素 化学激素 有机肥 微生物肥料 叶面肥 水溶肥料 复合肥料 缓释肥料 肥效试验 水培种植 其它
土壤结构 土壤类型 土壤生物 土壤养分 测土施肥 土壤修复 土壤水分 各地土壤 其它
各地ET0值 历年气候 灾害预防 气象基础 其它
杀菌剂 杀虫剂 杀螨剂 除草剂 植物调节剂 农药混配 其它
真菌病害及防治 虫害及防治 螨类及防治 杂草及防治 细菌与病毒 其它
蜜蜂授粉 其它
栽培 灌溉 营养 植保 生理生化 其它
肥料标准 农药标准 肥料检测标准 农机标准
种植标准 食品标准
土壤标准 水质标准
打药器械 施肥器械 除草器械 灌溉器械 耕种器械 监测器械 收获器械 拖拉机 其它器械
日光温室 玻璃温室
土壤检测 水质检测 叶片检测 病虫害检测 肥料检测 食品检测 化学试剂
GAP认证 绿色认证 无公害认证 有机认证 地理标志产品认证 其它
法规文件 政策文件 农业部文件 其它
个人感悟 农企成长 三农故事
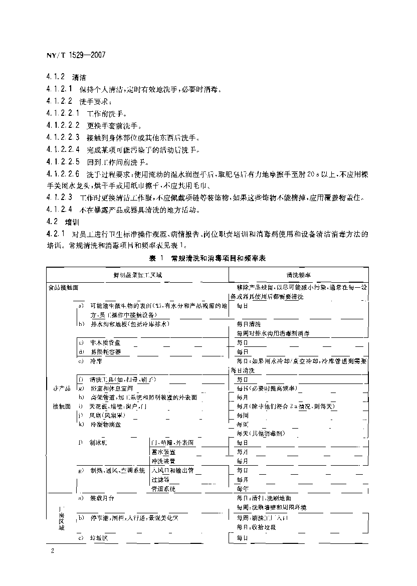
简介:鲜切蔬菜加工技术规范 NYT 1529-2007
类别:农业标准
关键字:
上传时间:2022/04/11 17:01
免费预览:13页/13页
擅长领域:水果:苹果;水肥基础:测土施肥;蔬菜:胡萝卜
所需农币:0
文件大小:205.37 KB
格式:pdf
擅长领域:水果:苹果;水肥基础:测土施肥
擅长领域:水果:苹果;蔬菜:西红柿;水肥基础:水培种植